상품 이미지 새창 보기

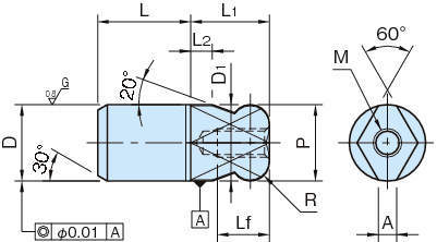
BJ792 다이아핀 BJ792 다이아핀