상품 이미지 새창 보기

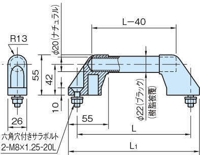
MH9 머시너리핸들 MH9 머시너리핸들