상품 이미지 새창 보기

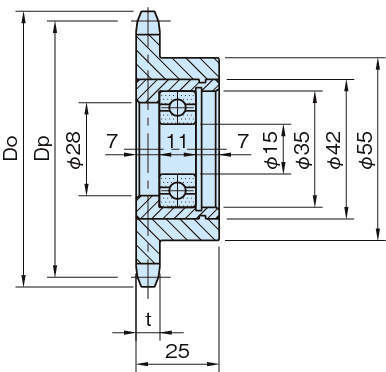
EIS-S 엔프라스프라켓아이들러 EIS-S 엔프라스프라켓아이들러