상품 이미지 새창 보기

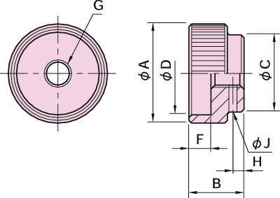
BJ750-N 널드너트 BJ750-N 널드너트