상품 이미지 새창 보기

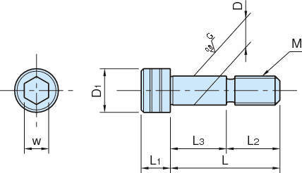
BJ701 로케이트볼트(고정도형) BJ701 로케이트볼트(고정도형)