상품 이미지 새창 보기

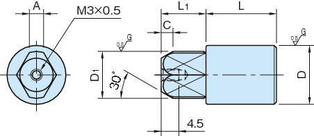
BJ726 작은머리다이아핀 BJ726 작은머리다이아핀