상품 이미지 새창 보기

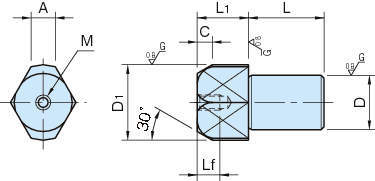
BJ723 다이아핀 BJ723 다이아핀