상품 이미지 새창 보기

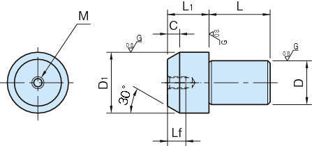
BJ721 스트레이트핀 BJ721 스트레이트핀