상품 이미지 새창 보기

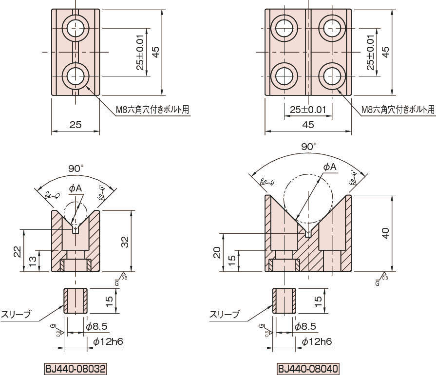
BJ440(M8) V블록 BJ440(M8) V블록