상품 이미지 새창 보기

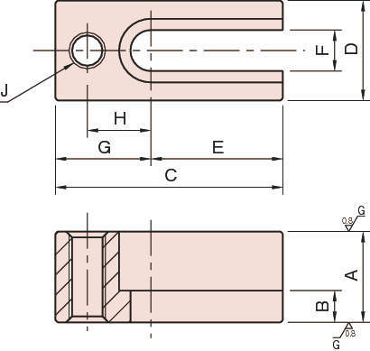
BJ321 어저스트서포터 BJ321 어저스트서포터