상품 이미지 새창 보기

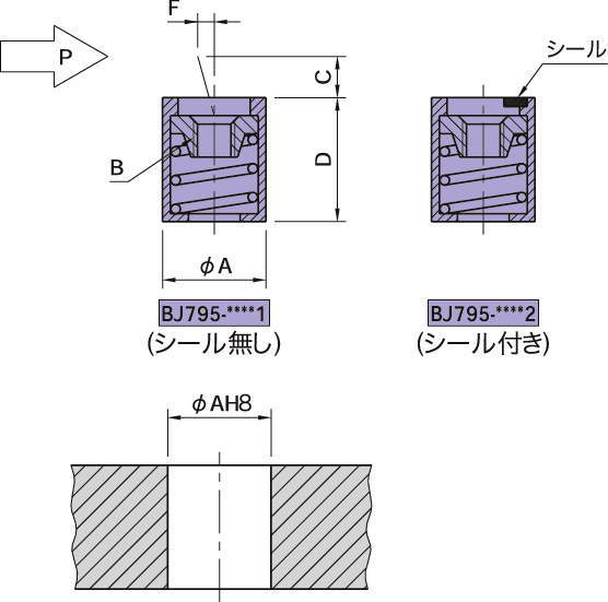
BJ795 스프링로케이트핀(암나사) BJ795 스프링로케이트핀(암나사)