상품 이미지 새창 보기

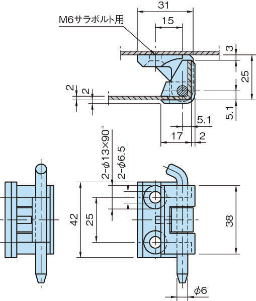
PLH426 핀록힌지 PLH426 핀록힌지