상품 이미지 새창 보기

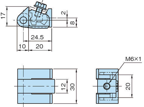
PLH302 핀록힌지 PLH302 핀록힌지