상품 이미지 새창 보기

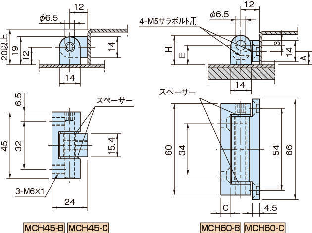
MCH 머시너리힌지 MCH 머시너리힌지