상품 이미지 새창 보기

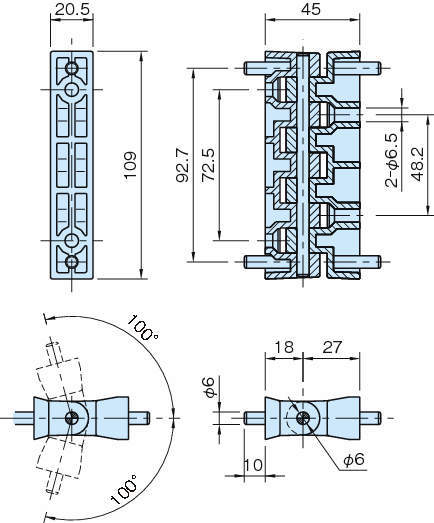
EMH 엔프라머시너리힌지(선회각도200°) EMH 엔프라머시너리힌지(선회각도200°)