상품 이미지 새창 보기

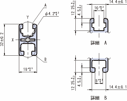
클램프프로파일32×18 클램프프로파일32×18