상품 이미지 새창 보기

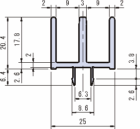
슬라이드도어레일 슬라이드도어레일