상품 이미지 새창 보기

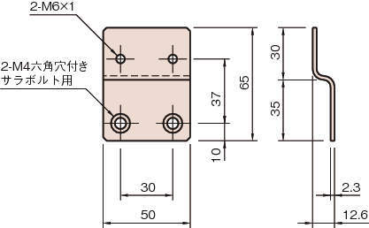
MGL40용브라켓 MGL40용브라켓