상품 이미지 새창 보기

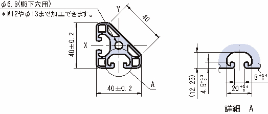
40×40앵글프로파일 경량형 40×40앵글프로파일 경량형