상품 이미지 새창 보기

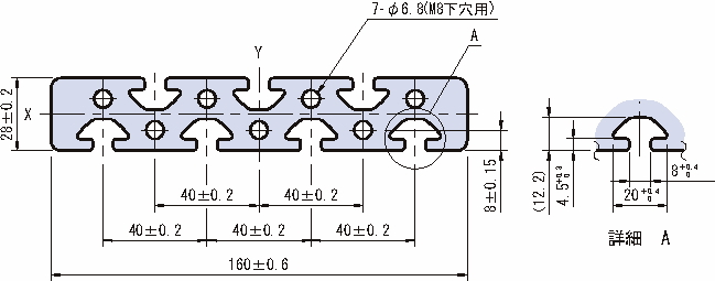
160×28 스트러트프로파일 160×28 스트러트프로파일