상품 이미지 새창 보기

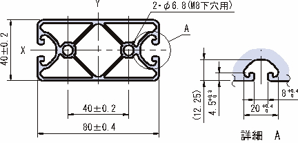
80×40 스트러트프로파일 이코노미형 80×40 스트러트프로파일 이코노미형