상품 이미지 새창 보기

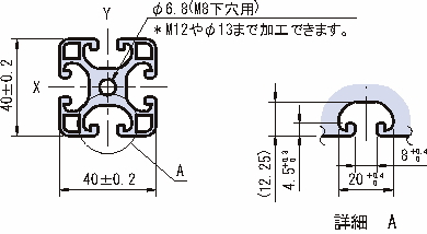
40×40 스트러트프로파일 경량형 40×40 스트러트프로파일 경량형