상품 이미지 새창 보기

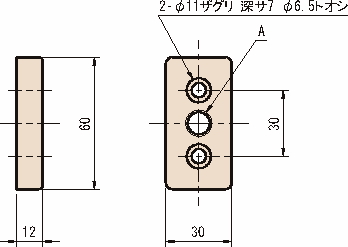
엔드컨넥터6 엔드컨넥터6