상품 이미지 새창 보기

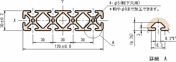
120×30 스트러트프로파일6 120×30 스트러트프로파일6