상품 이미지 새창 보기

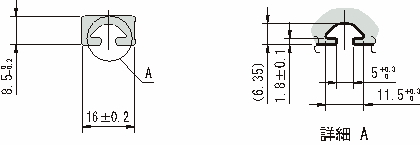
16×8 스트러트프로파일5 16×8 스트러트프로파일5