상품 이미지 새창 보기

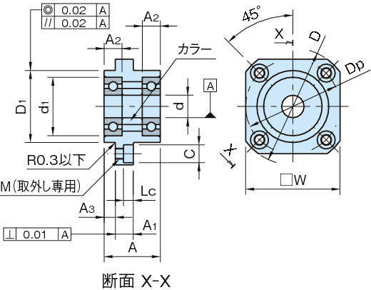
BSRWN 볼베어링유니트 돌출더블타입 BSRWN 볼베어링유니트 돌출더블타입