상품 이미지 새창 보기

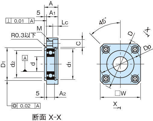
BSRN 볼베어링유니트 돌출타입 BSRN 볼베어링유니트 돌출타입