상품 이미지 새창 보기

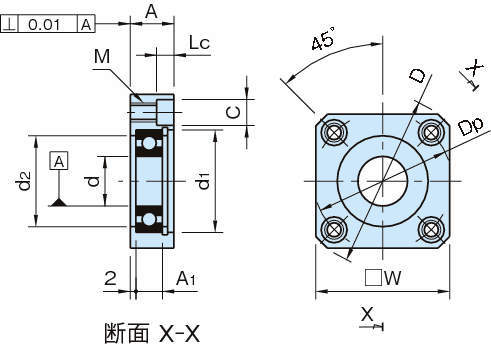
BSSN 볼베어링유니트 스탠다드타입 BSSN 볼베어링유니트 스탠다드타입