상품 이미지 새창 보기

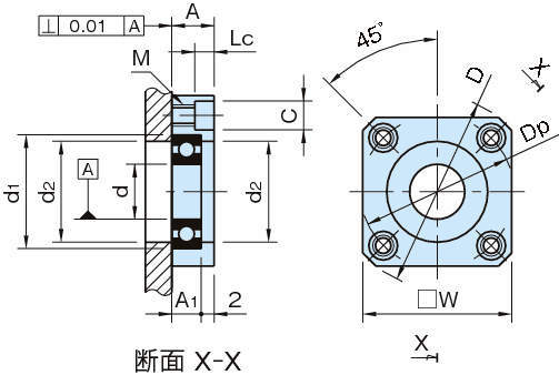
BSDN 볼베어링유니트 직접취부타입 BSDN 볼베어링유니트 직접취부타입