상품 이미지 새창 보기

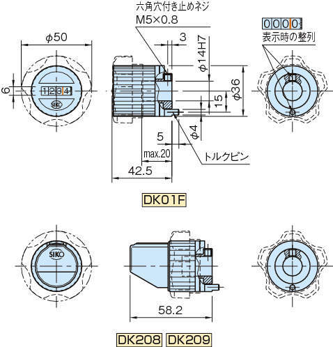
DK01F·DK208·DK209 인디케이터노브 DK01F·DK208·DK209 인디케이터노브