상품 이미지 새창 보기

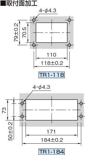
TR1 트레이핸들 TR1 트레이핸들 TR1 트레이핸들