상품 이미지 새창 보기

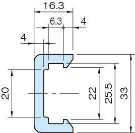
KG-GR2 A2형가이드레일 KG-GR2 A2형가이드레일