상품 이미지 새창 보기

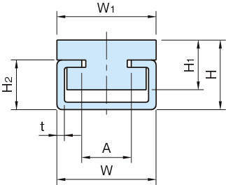
FC 가이드레일(FC프로파일) FC 가이드레일(FC프로파일) FC 가이드레일(FC프로파일)