상품 이미지 새창 보기

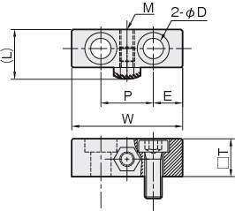
리니어스토퍼(스토퍼블록) SBAH(볼트R) 리니어스토퍼(스토퍼블록) SBAH(볼트R)