상품 이미지 새창 보기

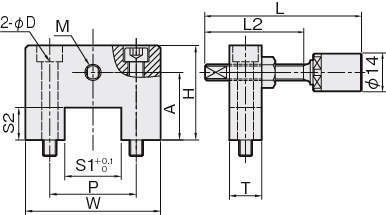
리니어스토퍼(우레탄볼트붙이) LSEN-U 리니어스토퍼(우레탄볼트붙이) LSEN-U