상품 이미지 새창 보기

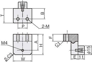
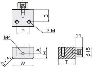
리니어스토퍼(우레탄붙이) LSWU 리니어스토퍼(우레탄붙이) LSWU 리니어스토퍼(우레탄붙이) LSWU