상품 이미지 새창 보기

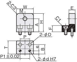
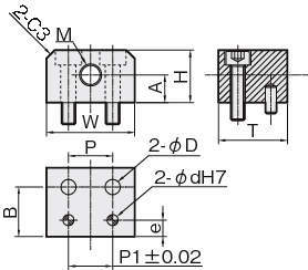
리니어스토퍼(위치결정용) LSY-N 리니어스토퍼(위치결정용) LSY-N 리니어스토퍼(위치결정용) LSY-N