상품 이미지 새창 보기

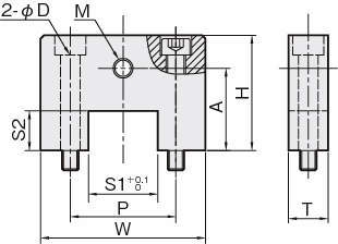
리니어스토퍼(위치결정용) LSEN 리니어스토퍼(위치결정용) LSEN