상품 이미지 새창 보기

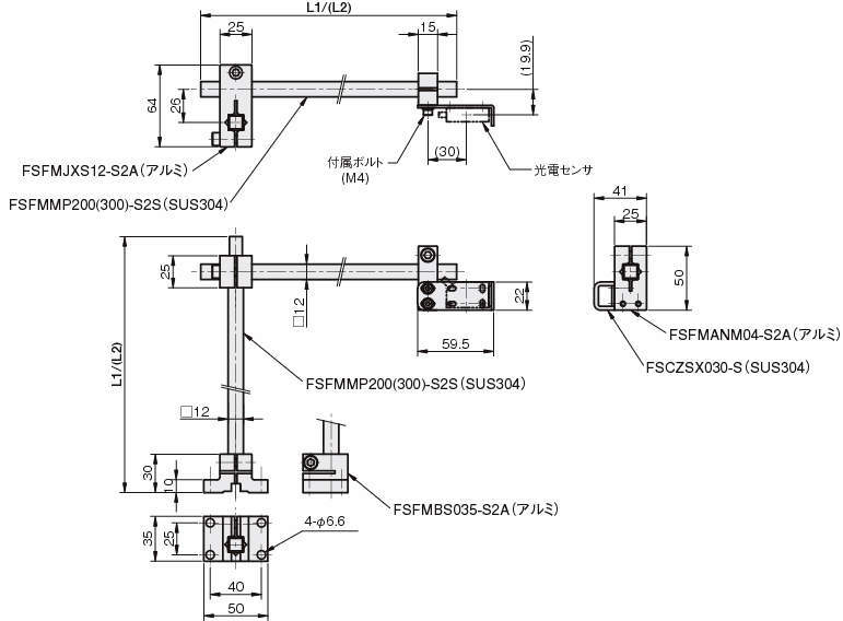
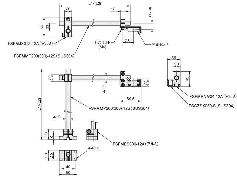
센서스탠드 SAC·SAF타입 센서스탠드 SAC·SAF타입 센서스탠드 SAC·SAF타입