상품 이미지 새창 보기

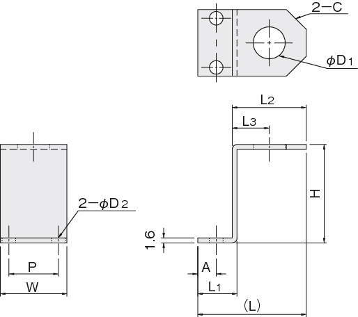
센서브라켓 Z형근접용브라켓 센서브라켓 Z형근접용브라켓