상품 이미지 새창 보기

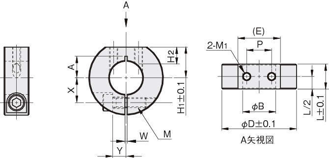
슬리트칼라 D커트 나사있는타입 슬리트칼라 D커트 나사있는타입 슬리트칼라 D커트 나사있는타입