상품 이미지 새창 보기

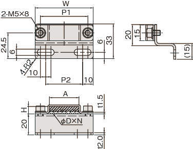
에어튜브브라켓 Z타입1 에어튜브브라켓 Z타입1