상품 이미지 새창 보기

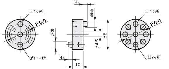
센서브라켓 어댑터조인트 센서브라켓 어댑터조인트 센서브라켓 어댑터조인트