상품 이미지 새창 보기

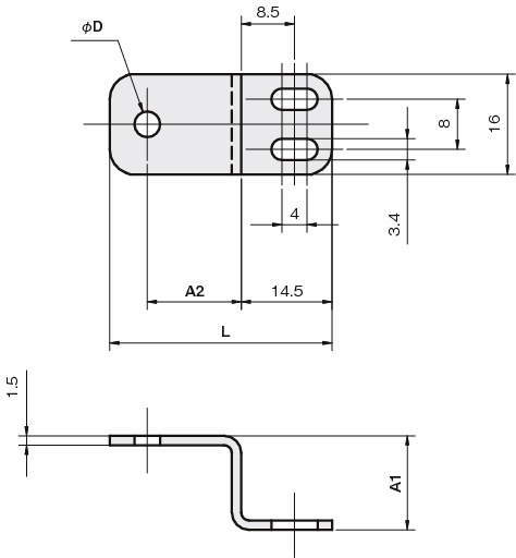
센서브라켓(광화이버센서용)Z타입 센서브라켓(광화이버센서용)Z타입 센서브라켓(광화이버센서용)Z타입