상품 이미지 새창 보기

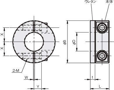
세퍼레이트칼라 댐퍼있는타입 세퍼레이트칼라 댐퍼있는타입