상품 이미지 새창 보기

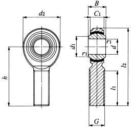
무급유식필로볼로드엔드 POS-EC(수나사붙이) 무급유식필로볼로드엔드 POS-EC(수나사붙이)