상품 이미지 새창 보기

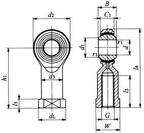
무급유식필로볼로드엔드 PHS-ECS(암나사붙이) 무급유식필로볼로드엔드 PHS-ECS(암나사붙이)