상품 이미지 새창 보기

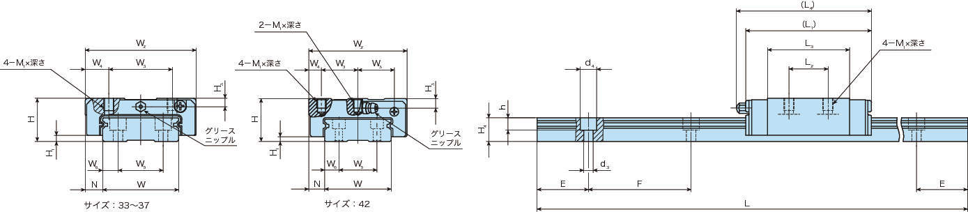
리니어웨이F·LWFS(블록형·슬라이드유니트) 리니어웨이F·LWFS(블록형·슬라이드유니트)