상품 이미지 새창 보기

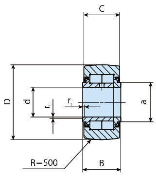
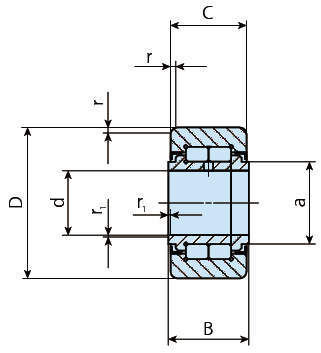
복열원통롤러롤러플로워 NURT 복열원통롤러롤러플로워 NURT 복열원통롤러롤러플로워 NURT