상품 이미지 새창 보기

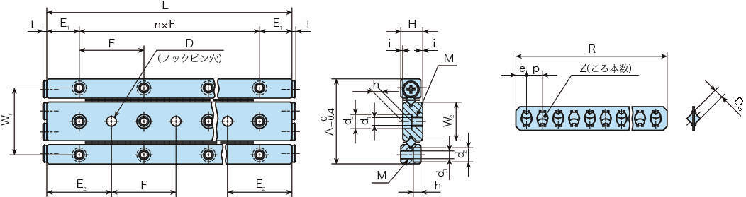
크로스롤러웨이 CRWM(모듈형) 크로스롤러웨이 CRWM(모듈형) 크로스롤러웨이 CRWM(모듈형)